Diapositiva 1 PowerPoint PPT Presentation

presentation player overlay
1 / 1
About This Presentation
Transcript and Presenter's Notes

Title: Diapositiva 1


1
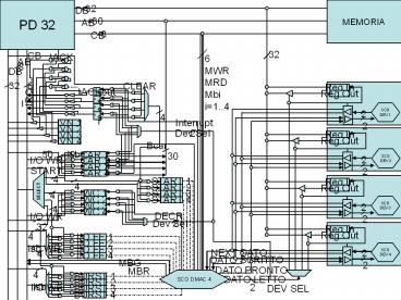
PD 32
MEMORIA
32
DB
30
AB
8
CB
32
CB
IACK
6 MWR MRD Mbi i1..4
AB
8
DB
32
8
CLEAR
Reg In
IACKout
s
Q
r
Reg Out
s
Q
r
IRQ
s
SCO DEV 1
Q
r
2
s
4
Q
r
Interrupt
2
IVN 1
2
Dev Sel
IVN 2
IVN 3
Reg In
IVN 4
Reg Out
Bcar
30 lsb
30
SCO DEV 2
CAR 1
2
I/O WR
CAR 2
START
CAR 3
2
CAR 4
4
START 1
Reg In
4
START 2
Reg Out
SELECT
4
WC 1
START 3
SCO DEV 3
WC 2
START 4
2
4
WC 3
DECR
I/O WR
WC 4
2
2
Dev Sel
32
Reg In
4 lsb
Reg Out
I/O FF 1
I/O FF 2
I/O WR
SCO DEV 4
NEXT DATO
2
4
I/O FF 3
DATO SCRITTO
I/O FF 4
MBG
2
DATO PRONTO
MBR
4 lsb
SCO DMAC 4
DATO LETTO
BURST 1
I/O WR
2
BURST 2
DEV SEL
BURST 3
BURST 4
Write a Comment
User Comments (0)
About PowerShow.com