Slide sem ttulo PowerPoint PPT Presentation

presentation player overlay
1 / 3
About This Presentation
Transcript and Presenter's Notes

Title: Slide sem ttulo


1
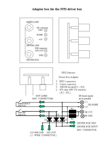
IIB home inputs are in parallel
HOT LINES
BNC CONNECTORS
1-1


EMERGENCY
IIB HOME


SWITCH
1-4
R1




IIB 5V
DRIVER
D2
SWITCH
IIB GND
R2
D1
D3


DRIVER BOX GND


DRIVER BOX INPUT
BNC CONNECTOR
1553 RM GND DIG OUT
( 2 - WIRE CONNECTOR )
2
FPD Roman Pot movement control adapter circuit
schematic
SWITCHES HOT LINES POWER CONTROL ADAPTER
INDEX INTERFACES
Emergency
CN3(1)
HOME IN
NC
line
CN3(4)
PARALLEL
GND
NO
D1
R1
5V
drivers
D2
D3
POWER SUPPLY
control line
DRIVER BOX
R2
DO1
input 1
1553 RM
GND
input 2 (opt.isol.)
1553 LINE
DO2
Blower Sense
Enable Blower
GND
RMI
input
Fault Output
Smoke Sense
Smoke Det.
DO2
POWER BOX
FIRUS Output
GND
GND
FPD Roman Pot movement control general schematic
PMC
IIB
IIB
IIB
IIB
IIB
IIB
IIB
IIB
switch
pmca
pmca
P1
P2
Emerg
switch
power box
driver box
driver box
power box
d box
p box
power box
driver box
power box
driver box
A1
A2
D
pmca
pmca
pmca
IIB
IIB
IIB
IIB
IIB
IIB
IIB
IIB
IIB
IIB
3
How to match impedances of LMR400 and flat ribbon
cables
50 COAXIAL CABLE
70 OHM FLAT RIBBON CABLE
175 ? 1/4W 10

SIGN

GND
22 ? 1/4W 10
SIGN GND
SIGNAL PROPAGATION
Voltage dividers to monitor low voltage power
supplies with 1553 Rack Monitor analog inputs ( 5
inputs required)
1553 RM interface analog inputs
10k? 1/4W
10k? 1/4W 10
- 15V
15V
5k? 1/4W
5k? 1/4W 10
GND
GND
10k? 1/4W
10k? 1/4W 10
- 10V
10V
5k? 1/4W
5k? 1/4W 10
GND
GND
Voltage dividers from the FPD low voltage
power supplies to the 1553 RM interface analog
inputs
5V GND
Write a Comment
User Comments (0)
About PowerShow.com